私の電動ラジコン飛行機の動画、製作を紹介
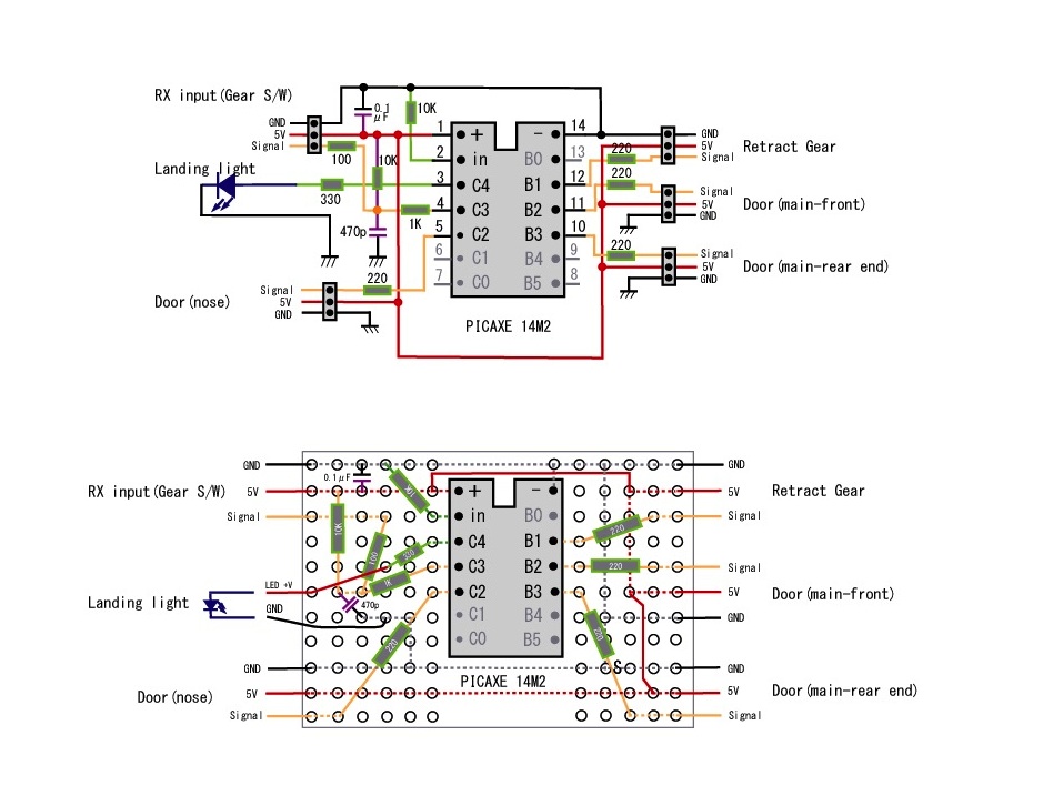
実機では、メインギアドアはダウン時は、完全には閉まらない(少し開らいている)状態です。これを再現するには、別I/Oでメインギアドアを制御する必要があり、前回M346で使用したチップ(picaxe 08M2)ではI/Oが足りないので、1ランク上げてpicaxe 14M2を使用することにしました。
プログラムも合わせて変更しましたが、そのソースコードはGitHubにアップしてあります。
胴体への組込前(リンケージ前)に全てのリトラクトギア、ドアと作成した組み込み用のシーケンサを接続して動作確認しました。
これには、結構時間がかかりましたが、ここまで確認しておけば少しは安心で組込がスムーズになります。